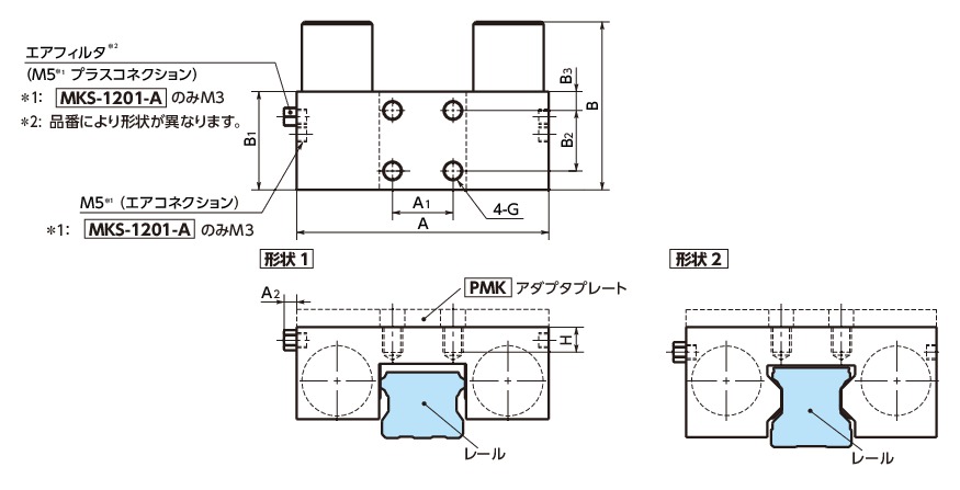
単位 : mm
| 品番 | 保持力(N) 標準/プラスコネクション |
A | A1 | A2 | B | B1 | B2 | B3 | G | H | 質量 (kg) |
価格 (円) |
税込 価格 |
CAD ダウンロード |
標準品を購入 | 在庫/非在庫 |
|---|---|---|---|---|---|---|---|---|---|---|---|---|---|---|---|---|
| MKS-3501-A-03 | 850/1800 | 100 | 24 | 5 | 67 | 39 | 24 | 7.5 | M8 | 10 | 0.83 | - | - | CAD | 見積り | 在庫品 |
*1: プラスコネクションの保持力は、圧力が0.3MPaのときの値です。
構造

MKS-3501-A-03の材質・仕上げ
| MKS | |
|---|---|
| 本体 | SCr415相当 無電解ニッケルメッキ |
| エアフィルタ | 黄銅 |
| コンタクトセクション | SUJ2相当 表面処理なし |
| アジャストスクリュー | SUJ2相当 表面処理なし |
MKS-3501-A-03の特長
- 開放圧力0.3MPa仕様のMKS。
- 標準仕様のMKSの開放圧力0.55MPaでは、圧力が高すぎる場合にご利用ください。
-
常時閉(Normally Closed)タイプです。
空気圧供給時:クランプを開放します。
空気圧排出時:ばねの力でリニアガイドウェイのレールをクランプします。 - コンパクト設計。
- ISOクラス6の清浄度に対応。
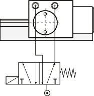
プラスコネクション
“プラスコネクション”とは、ばねによる保持力に、空気圧による保持力を付加(プラス)し、保持力を増強させる接続(コネクション)方法です。プラスコネクションの接続方法
- エアフィルタを取りはずしてください。
- 管継手・チューブ・ソレノイドバルブを取りつけてください。
- エアを供給してください。
- ソレノイドバルブを作動させ、クランプの開閉に問題がないことを確認してください。


仕様
| 制御方式 | 空気圧・常時閉 |
| 開放圧力 | 0.3MPa |
| 最高使用圧力 | 0.65MPa |
| レスポンスタイム | max. 0.06s |
| クランプ寿命*1 | 500万回 |
| 使用温度 | -10℃~+70℃ |
| 適用レールの呼び | #15~#65 |
*1: 参考値であり、保証値ではありません。プラスコネクション時の寿命は100万回です。
使用上の注意
MKSは、出荷時にコンタクトセクション間にスペーサをはさみ込んであります。取りつけ時以外は、このスペーサを取りはずさないでください。スペーサを取りはずした状態で長時間放置すると、MKSが作動しなくなることがあります。
取りつけ
| ねじの呼び*1 | 締めつけトルク (N・m) |
|---|---|
| M4 | 2.8 |
| M5 | 5.5 |
| M6 | 9.5 |
| M8 | 23 |
| M10 | 46 |
*1: 強度区分8.8以上のねじをご使用ください。
取りつけ図

配管
| レールの呼び | ねじの呼び | 空気消費量*1(ℓ/サイクル(ANR)) 標準/プラスコネクション |
|---|---|---|
| #15 | M5 | 0.008/0.025 |
| #20 | M5 | 0.014/0.045 |
| #25 | M5 | 0.015/0.049 |
| #30 | M5 | 0.022/0.086 |
| #35 | M5 | 0.022/0.092 |
| #45 | M5 | 0.029/0.125 |
| #55 | M5 | 0.029/0.125 |
| #65 | M5 | 0.029/0.125 |
*1: 圧力が0.3MPaのときの値です。表中の数値は参考値であり、保証値ではありません。







