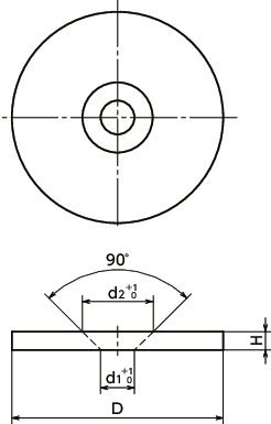
単位 : mm
| 品番 | D | H | d1 | d2 | 質量 (g) |
価格 (円) |
税込 価格 |
CAD ダウンロード |
標準品を購入 | 在庫/非在庫 |
|---|---|---|---|---|---|---|---|---|---|---|
| JAD-45 | 45+0.1~+0.5 | 3 | 5.5 | 11 | 37 | 560 | 616 | CAD | カート | 在庫品 |
JAD-45の材質・仕上げ
| JAD | |
|---|---|
| 本体 | スティール 三価クロメート処理 |
JAD-45の特長
- 磁性のある金属材料で作られたプレート。
- プラスティック・木材・アルミなどの非磁性材料をマグネットに吸着させたい場合に使用してください。
- 取りつけには市販の六角穴付き皿ボルト(JIS B 1194)や十字穴付き皿小ねじ(JIS B 1111 附属書)を使用してください。ねじは付属していません。
| 品番 | ねじ径 |
|---|---|
| JAD-12 | M3 |
| JAD-17 | M4 |
| JAD-27 | M5 |
| JAD-34 | M5 |
| JAD-45 | M5 |
| JAD-64 | M5 |
十字穴付き皿タッピンねじ(JIS B 1122 附属書)や十字穴付き皿木ねじ(JIS B 1112)などもご使用いただけます。



