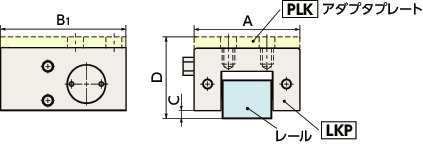
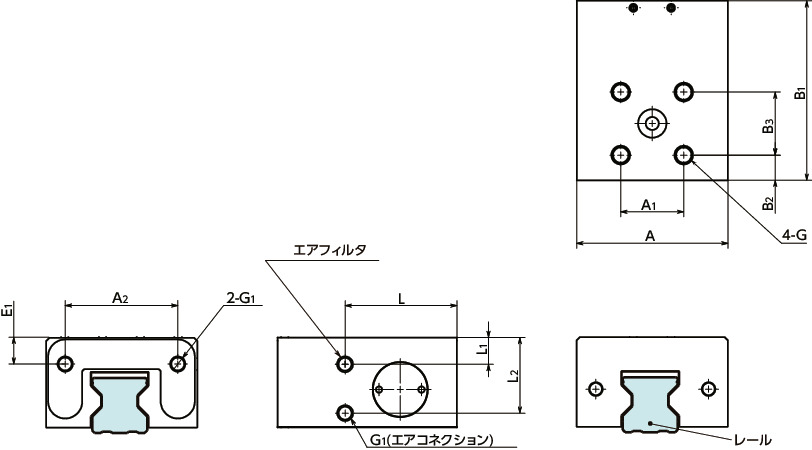
単位 : mm
| 品番 | 保持力*1 (N) | A | A1 | A2 | B1 | B2 | B3 | E1 | G/深さ | G1 | L | L1 | L2 | 質量 (kg) |
価格 (円) |
税込 価格 |
CAD ダウンロード |
標準品を購入 | 在庫/非在庫 |
|---|---|---|---|---|---|---|---|---|---|---|---|---|---|---|---|---|---|---|---|
| LKP-2005-AS2-A | 850 | 44 | 20 | 32 | 52 | 7 | 20 | 7 | M5/5.5 | M3 | 33.5 | 4.5 | 20.5 | 0.23 | - | - | CAD | 見積り | 非在庫品 |
*1: 圧力が0.6MPaのときの値です。保持力は0.3MPa~0.6MPaの範囲では圧力に比例します。
構造

LKP-2005-AS2-Aの材質・仕上げ
| LKP | |
|---|---|
| 本体 | SCr415相当 無電解ニッケルメッキ |
| コンタクトセクション | SUJ2相当 |
| アジャストスクリュー | SUJ2相当 |
| キャップ | POM |
| エアフィルタ | 黄銅 |
LKP-2005-AS2-Aの特長
- スリムタイプ。
- テーブルの保持・位置ぎめ・びびり防止に。
-
常時開(Normally Open)タイプです。
空気圧供給時:リニアガイドウェイのレールをクランプします。
空気圧排出時:クランプを開放します。 - コンパクト設計。
- 既存システムへの組みつけも容易です。リニアガイドウェイのレールの延長、テーブルサイズの変更など、設計変更は不要です。
仕様
| 制御方式 | 空気圧・常時開 |
| 最低使用圧力 | 0.3MPa |
| 最高使用圧力 | 0.65MPa |
| レスポンスタイム | max. 0.06s |
| クランプ寿命*1 | 500万回 |
| 使用温度 | -10℃~+70℃ |
| 適用レールの呼び | #15~#55 |
*1: 参考値であり、保証値ではありません。
取りつけ
| ねじの呼び*1 | 締めつけトルク (N・m) |
|---|---|
| M4 | 2.8 |
| M5 | 5.5 |
| M6 | 9.5 |
| M8 | 23 |
| M10 | 46 |
*1: 強度区分8.8以上のねじをご使用ください。
安全上の注意、設計における注意事項、取りつけ手順を事前にご確認ください。⇒安全上の注意⇒設計における注意事項⇒取りつけ手順
取りつけ図

配管
| レールの呼び | ねじの呼び | 空気消費量*1 (ℓ/サイクル(ANR)) |
|---|---|---|
| #15 | M3 | 0.023 |
| #20 | M3 | 0.037 |
| #25 | M5 | 0.054 |
| #30 | M5 | 0.095 |
| #35 | M5 | 0.130 |
| #45 | M5 | 0.246 |
| #55 | M5 | 0.334 |
*1: 圧力が0.6MPaのときの値です。
保持力
本カタログ記載の保持力は、圧力が0.6MPaのときの値です。保持力は0.3MPa~0.6MPaの範囲では圧力に比例します。

トラブルシューティング
| 不具合 | 理由 | 考えられる原因 | 解決策 |
|---|---|---|---|
| クランパがクランプ状態にならない/クランプ力が不足している | 動作圧力の不足 | 設定されている動作圧力がとても小さい | 製品ページで指定されている値に従って最低使用圧力を設定してください。 |
| エア(オイル)の漏れ,詰まり,配管の途中でせき止められている、電源の故障など | エアバルブとクランパの間の配管を最短にしてください。 | ||
| レスポンスタイムが長すぎる/クランパが開くまでに遅れがある | エアの供給不足 | エアバルブが小さすぎる | 流量が大きいバルブを選定してください。 |
| エアバルブとクランパの間の配管が長すぎる | エアフィルタの交換・清掃をしてください(NBKではエアフィルタ単体での販売は行っておりません)。 | ||
| 排気量が不十分 | クイックエギゾーストバルブかエアフィルタが塞がれている | クイックエギゾーストバルブとエアフィルタの開口部が塞がれていないことを確認し、必要に応じエアフィルタを反対側に移動させてください。 | |
| クイックエギゾーストバルブかエアフィルタが詰まっている | エアフィルタの交換・清掃をしてください(NBKではエアフィルタ単体での販売は行っておりません)。 | ||
| エアバルブとクランパの間の配管が長すぎる | エアバルブとクランパの間の配管を最短にしてください。 | ||
| エア漏れの音が聞こえることがある | 本体の外側から漏れている | 内部のシールの位置がずれている | 5秒以内にクランパを20回以上開閉させてください。 |
| エアコネクションから漏れている | しっかりとエアコネクションが接続されていない/配管が不良品である | エアコネクションと配管を確認し、必要な場合は交換してください。 | |
| 部品の摩耗 | クランパの寿命 | クランパを交換してください。 | |
| 保持力、保持トルクの不足 | レールに適したクランパを使用していない | クランパとレールの寸法公差が合っていない | NBKサイトの選定ナビでクランパとレールが適合しているかを確認してください。 |
| 取りつけ先が十分な剛性を有していない | クランパの取りつけ用の面の全面が、十分な剛性を持つテーブル・ベースなどと接する必要があります。 | ||
| クランパが変形している | 取りつけねじが緩んでいるか、強度区分が間違っている | 技術データを確認してください。 |
一部サイズ廃止のご案内
下記の通り、“LinearClamper-Zee®”の一部品番を廃止いたします。お客さまには設計変更などのご面倒をお掛けしますが、何卒ご理解賜りますようお願い申しあげます。
詳しくは、
https://www.nbk1560.com/news/2025/20250514/
をご確認ください。







