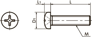
Unit : mm
| Part Number | M (Coarse) Nominal of Thread |
Pitch | L | D1 | L1 | Cross-recessed Socket No. | Tensile Breaking Load (N)*1 |
Torsional Torque (N・m)*1 |
Qty per Pack | Mass (g) |
CAD Download |
RFQ |
|---|---|---|---|---|---|---|---|---|---|---|---|---|
| SPE-M2-4-P | M2 | 0.4 | 4 | 3.5 | 1.3 | 1 | 165 | 0.071 | 20 | 0.023 | CAD | RFQ |
*1: Values in chart are for reference only. They are not guaranteed values. The recommended tightening torque is 50% of the torsional torque.
Nabeya Bi-tech Kaisha
Customer Service
Please enter questions about customization and other product-related inquiries here.
Find the inquiry form here●When purchasing less volume than one full bag, a separate handling fee is charged. For details, see the Sold Separately Service.
Characteristics
- PEEK Phillips cross recessed pan head machine screws.
- PEEK is a thermoplastic super engineering plastic superior in physical and chemical properties.
- Excellent chemical resistance. It remains almost unaffected by chemicals other than concentrated sulfuric acid, concentrated nitric acid, and concentrated hydrofluoric acid.
- With excellent heat resistance and water resistance, it retains strength at high temperatures.
- It features outstanding resistance to wear, shock, and fatigue.
- It also has high flame retardance which clears the UL 94 V-0 standard.
- For the properties and precautions for use of plastic screws, see “Properties of Plastic Screws.”⇒Plastic Screws
Material/Finish
| SPE-P | |
|---|---|
| Main Body | PEEK (Polyether Ether Ketone) (Light Brown) |
| Heat Resistance Temperature*1 |
260℃ |
*1: This is the value for the resin material. The operating temperature of the product changes with performance conditions such as tightening torque.



