寸法・CAD・価格
単位 : mm
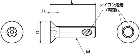
| 品番 | M(並目) ねじの呼び |
ピッチ | L | D1 | L1 | 適用ビット | 適用マグネット ドライバ |
1袋入り数 | 質量 (g) |
価格 (円/袋) |
税込 価格 |
CAD ダウンロード |
数量(袋) | バラ(本) | 在庫/非在庫 |
|---|---|---|---|---|---|---|---|---|---|---|---|---|---|---|---|
| SRGFS-M4-10-ALK | M4 | 0.7 | 10 | 8 | 2.3 | SRGB-4 | SRD-6.35 | 10 | 1.03 | 1,870 | 2,057 | CAD | カート | カート | 非在庫品 |
| SRGFS-M4-16-ALK | M4 | 0.7 | 16 | 8 | 2.3 | SRGB-4 | SRD-6.35 | 10 | 1.48 | 2,070 | 2,277 | CAD | カート | カート | 非在庫品 |
| SRGFS-M4-20-ALK | M4 | 0.7 | 20 | 8 | 2.3 | SRGB-4 | SRD-6.35 | 10 | 1.78 | 2,170 | 2,387 | CAD | カート | カート | 非在庫品 |
●1袋入り数未満でご注文の場合は、別途手数料を申し受けます。詳しくはバラ売りサービスをご確認ください。
関連サービス
材質・仕上げ
| SRGFS-ALK | |
|---|---|
| 本体 | SUSXM7 |
| 強度区分 | A2-50相当 |
| ナイロン溶着 | ナイロン11 |
用途
機器・装置の分解・いたずら防止屋外設備の盗難防止
セキュリティー対策
安全対策
特長
- ナイロン溶着つきのファイブロブ穴付き皿ボルト。
- ねじ部に溶着したナイロンの摩擦によってねじの戻り回転を抑制します。
- 締結力を失っても、戻り回転が抑制されるため、ねじの脱落を防止します。
- ナイロン溶着の耐熱温度は120℃です。
- 通常の工具では、取りつけ・取りはずしができません。
- 取りつけ・取りはずしには専用ビットSRGBと専用マグネットドライバSRDを組み合わせてご使用ください。









/11576_1.jpg?upd=20251209105121&awscf_publishdate=2026-04-13 15:00)