Specs/CAD
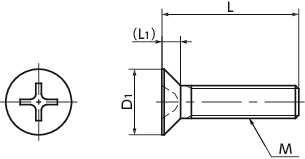
Unit : mm
| Part Number | M (Coarse) Nominal of Thread |
Pitch | L | D1 | L1 | Cross-recessed Socket No. | Tensile Breaking Load (N)*1 |
Torsional Torque (N・m)*1 |
Qty per Pack | Mass (g) |
CAD Download |
RFQ |
|---|---|---|---|---|---|---|---|---|---|---|---|---|
| SPC-M4-6-F | M4 | 0.7 | 6 | 8 | 2.3 | 2 | 481 | 0.39 | 50 | 0.14 | CAD | RFQ |
| SPC-M4-8-F | M4 | 0.7 | 8 | 8 | 2.3 | 2 | 481 | 0.39 | 50 | 0.16 | CAD | RFQ |
| SPC-M4-10-F | M4 | 0.7 | 10 | 8 | 2.3 | 2 | 481 | 0.39 | 50 | 0.19 | CAD | RFQ |
| SPC-M4-12-F | M4 | 0.7 | 12 | 8 | 2.3 | 2 | 481 | 0.39 | 50 | 0.21 | CAD | RFQ |
| SPC-M4-14-F | M4 | 0.7 | 14 | 8 | 2.3 | 2 | 481 | 0.39 | 50 | 0.24 | CAD | RFQ |
| SPC-M4-15-F | M4 | 0.7 | 15 | 8 | 2.3 | 2 | 481 | 0.39 | 50 | 0.25 | CAD | RFQ |
| SPC-M4-16-F | M4 | 0.7 | 16 | 8 | 2.3 | 2 | 481 | 0.39 | 50 | 0.26 | CAD | RFQ |
| SPC-M4-18-F | M4 | 0.7 | 18 | 8 | 2.3 | 2 | 481 | 0.39 | 50 | 0.29 | CAD | RFQ |
| SPC-M4-20-F | M4 | 0.7 | 20 | 8 | 2.3 | 2 | 481 | 0.39 | 50 | 0.31 | CAD | RFQ |
| SPC-M4-25-F | M4 | 0.7 | 25 | 8 | 2.3 | 2 | 481 | 0.39 | 50 | 0.37 | CAD | RFQ |
*1: Values in chart are for reference only. They are not guaranteed values. The recommended tightening torque is 50% of the torsional torque.
Nabeya Bi-tech Kaisha
Customer Service
Please enter questions about customization and other product-related inquiries here.
Find the inquiry form hereRelated Services
Material/Finish
| SPC-F | |
|---|---|
| Main Body | PC (Polycarbonate) (Transparent) |
| Heat Resistance Temperature*1 | 115℃ |
*1: This is the value for the resin material. The operating temperature of the product changes with performance conditions such as tightening torque.
Application
Electrical and electronic equipmentCharacteristics
- PC (polycarbonate) Phillips cross recessed flat head machine screws.
- PC (polycarbonate) has the highest shock resistance of engineering plastics.
- Allowable operating temperature*1 (min./max.): -40°C/115°C
- PC has low water absorbency and excellent weather resistance.
- For the properties and precautions for use of plastic screws, see “Properties of Plastic Screws.”⇒Plastic Screws






