Specs/CAD
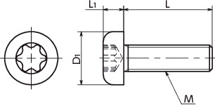
Unit : mm
| Part Number | M (Coarse) Nominal of Thread |
Pitch | L | D1 | L1 | Hexalobular Socket No. |
Qty per Pack | Mass (g) |
CAD Download |
RFQ |
|---|---|---|---|---|---|---|---|---|---|---|
| SNPX-M3-6-TBZ | M3 | 0.5 | 6 | 5.5 | 2 | 10 | 20 | 0.51 | CAD | RFQ |
| SNPX-M3-8-TBZ | M3 | 0.5 | 8 | 5.5 | 2 | 10 | 20 | 0.56 | CAD | RFQ |
| SNPX-M3-10-TBZ | M3 | 0.5 | 10 | 5.5 | 2 | 10 | 20 | 0.66 | CAD | RFQ |
| SNPX-M4-6-TBZ | M4 | 0.7 | 6 | 7 | 2.6 | 20 | 20 | 0.91 | CAD | RFQ |
| SNPX-M4-8-TBZ | M4 | 0.7 | 8 | 7 | 2.6 | 20 | 20 | 1.1 | CAD | RFQ |
| SNPX-M4-10-TBZ | M4 | 0.7 | 10 | 7 | 2.6 | 20 | 20 | 1.3 | CAD | RFQ |
| SNPX-M4-12-TBZ | M4 | 0.7 | 12 | 7 | 2.6 | 20 | 20 | 1.4 | CAD | RFQ |
| SNPX-M4-16-TBZ | M4 | 0.7 | 16 | 7 | 2.6 | 20 | 20 | 1.7 | CAD | RFQ |
| SNPX-M4-20-TBZ | M4 | 0.7 | 20 | 7 | 2.6 | 20 | 20 | 2 | CAD | RFQ |
| SNPX-M4-25-TBZ | M4 | 0.7 | 25 | 7 | 2.6 | 20 | 20 | 2.3 | CAD | RFQ |
| SNPX-M5-8-TBZ | M5 | 0.8 | 8 | 9 | 3.3 | 25 | 20 | 2.2 | CAD | RFQ |
| SNPX-M5-10-TBZ | M5 | 0.8 | 10 | 9 | 3.3 | 25 | 20 | 2.4 | CAD | RFQ |
| SNPX-M5-12-TBZ | M5 | 0.8 | 12 | 9 | 3.3 | 25 | 20 | 2.6 | CAD | RFQ |
| SNPX-M5-16-TBZ | M5 | 0.8 | 16 | 9 | 3.3 | 25 | 20 | 3 | CAD | RFQ |
| SNPX-M5-20-TBZ | M5 | 0.8 | 20 | 9 | 3.3 | 25 | 20 | 3.5 | CAD | RFQ |
| SNPX-M5-25-TBZ | M5 | 0.8 | 25 | 9 | 3.3 | 25 | 20 | 4.1 | CAD | RFQ |
| SNPX-M6-10-TBZ | M6 | 1 | 10 | 10.5 | 3.9 | 30 | 20 | 3.6 | CAD | RFQ |
| SNPX-M6-12-TBZ | M6 | 1 | 12 | 10.5 | 3.9 | 30 | 20 | 3.9 | CAD | RFQ |
| SNPX-M6-16-TBZ | M6 | 1 | 16 | 10.5 | 3.9 | 30 | 20 | 4.6 | CAD | RFQ |
| SNPX-M6-25-TBZ | M6 | 1 | 20 | 10.5 | 3.9 | 30 | 20 | 6.2 | CAD | RFQ |
Nabeya Bi-tech Kaisha
Customer Service
Please enter questions about customization and other product-related inquiries here.
Find the inquiry form here● When purchasing less volume than one full bag, a separate handling fee is charged. For details, see the Sold Separately Service.
Related Services
Material/Finish
| SNPX-TBZ | |
|---|---|
| Main Body | Steel Black Trivalent Chromate Treatment |
| Strength Class | 4.8 Equivalent |
Application
Prevention of damage to screw headsReliable tightening
Characteristics
- Hexalobular socket shapes*1 are designed to withstand high tightening torque compared to cross-recesses. ⇒Features of the Hexalobular Socket
- Recesses are unlikely to be damaged due to tightening, allowing safe and secure tightening to be performed.
*1: The hexalobular shape is prescribed by JIS B 1015: 2008(ISO 10664: 2005)"Hexalobular internal driving feature for bolts and screws".











