Specs/CAD
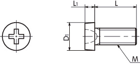
Unit : mm
| Part Number | M (Coarse) Nominal of Thread |
Pitch | L | D1 | L1 | Bit Part No. | Tensile Breaking Load (N)*1 |
Torsional Torque (N・m)*1 |
Qty per Pack | Mass (g) |
CAD Download |
RFQ |
|---|---|---|---|---|---|---|---|---|---|---|---|---|
| SPE-M1.2-1.5-MC1 | M1.2 | 0.25 | 1.5 | 1.8 | 0.5 | SKCHB-M1.2 | 58 | 0.027 | 10 | 0.038 | CAD | RFQ |
| SPE-M1.2-1.8-MC1 | M1.2 | 0.25 | 1.8 | 1.8 | 0.5 | SKCHB-M1.2 | 58 | 0.027 | 10 | 0.038 | CAD | RFQ |
| SPE-M1.2-2-MC1 | M1.2 | 0.25 | 2 | 1.8 | 0.5 | SKCHB-M1.2 | 58 | 0.027 | 10 | 0.039 | CAD | RFQ |
| SPE-M1.2-2.5-MC1 | M1.2 | 0.25 | 2.5 | 1.8 | 0.5 | SKCHB-M1.2 | 58 | 0.027 | 10 | 0.039 | CAD | RFQ |
| SPE-M1.2-3-MC1 | M1.2 | 0.25 | 3 | 1.8 | 0.5 | SKCHB-M1.2 | 58 | 0.027 | 10 | 0.039 | CAD | RFQ |
| SPE-M1.2-3.5-MC1 | M1.2 | 0.25 | 3.5 | 1.8 | 0.5 | SKCHB-M1.2 | 58 | 0.027 | 10 | 0.04 | CAD | RFQ |
| SPE-M1.2-4-MC1 | M1.2 | 0.25 | 4 | 1.8 | 0.5 | SKCHB-M1.2 | 58 | 0.027 | 10 | 0.04 | CAD | RFQ |
| SPE-M1.2-1.5-MC1(100) | M1.2 | 0.25 | 1.5 | 1.8 | 0.5 | SKCHB-M1.2 | 58 | 0.027 | 100 | 0.038 | CAD | RFQ |
| SPE-M1.2-1.8-MC1(100) | M1.2 | 0.25 | 1.8 | 1.8 | 0.5 | SKCHB-M1.2 | 58 | 0.027 | 100 | 0.038 | CAD | RFQ |
| SPE-M1.2-2-MC1(100) | M1.2 | 0.25 | 2 | 1.8 | 0.5 | SKCHB-M1.2 | 58 | 0.027 | 100 | 0.039 | CAD | RFQ |
| SPE-M1.2-2.5-MC1(100) | M1.2 | 0.25 | 2.5 | 1.8 | 0.5 | SKCHB-M1.2 | 58 | 0.027 | 100 | 0.039 | CAD | RFQ |
| SPE-M1.2-3-MC1(100) | M1.2 | 0.25 | 3 | 1.8 | 0.5 | SKCHB-M1.2 | 58 | 0.027 | 100 | 0.039 | CAD | RFQ |
| SPE-M1.2-3.5-MC1(100) | M1.2 | 0.25 | 3.5 | 1.8 | 0.5 | SKCHB-M1.2 | 58 | 0.027 | 100 | 0.04 | CAD | RFQ |
| SPE-M1.2-4-MC1(100) | M1.2 | 0.25 | 4 | 1.8 | 0.5 | SKCHB-M1.2 | 58 | 0.027 | 100 | 0.04 | CAD | RFQ |
| SPE-M1.4-2-MC1 | M1.4 | 0.3 | 2 | 2 | 0.5 | SKCHB-M1.4 | 82 | 0.030 | 10 | 0.048 | CAD | RFQ |
| SPE-M1.4-2.5-MC1 | M1.4 | 0.3 | 2.5 | 2 | 0.5 | SKCHB-M1.4 | 82 | 0.030 | 10 | 0.049 | CAD | RFQ |
| SPE-M1.4-3-MC1 | M1.4 | 0.3 | 3 | 2 | 0.5 | SKCHB-M1.4 | 82 | 0.030 | 10 | 0.049 | CAD | RFQ |
| SPE-M1.4-3.5-MC1 | M1.4 | 0.3 | 3.5 | 2 | 0.5 | SKCHB-M1.4 | 82 | 0.030 | 10 | 0.049 | CAD | RFQ |
| SPE-M1.4-4-MC1 | M1.4 | 0.3 | 4 | 2 | 0.5 | SKCHB-M1.4 | 82 | 0.030 | 10 | 0.05 | CAD | RFQ |
| SPE-M1.4-6-MC1 | M1.4 | 0.3 | 6 | 2 | 0.5 | SKCHB-M1.4 | 82 | 0.030 | 10 | 0.05 | CAD | RFQ |
| SPE-M1.4-2-MC1(100) | M1.4 | 0.3 | 2 | 2 | 0.5 | SKCHB-M1.4 | 82 | 0.030 | 100 | 0.048 | CAD | RFQ |
| SPE-M1.4-2.5-MC1(100) | M1.4 | 0.3 | 2.5 | 2 | 0.5 | SKCHB-M1.4 | 82 | 0.030 | 100 | 0.049 | CAD | RFQ |
| SPE-M1.4-3-MC1(100) | M1.4 | 0.3 | 3 | 2 | 0.5 | SKCHB-M1.4 | 82 | 0.030 | 100 | 0.049 | CAD | RFQ |
| SPE-M1.4-3.5-MC1(100) | M1.4 | 0.3 | 3.5 | 2 | 0.5 | SKCHB-M1.4 | 82 | 0.030 | 100 | 0.049 | CAD | RFQ |
| SPE-M1.4-4-MC1(100) | M1.4 | 0.3 | 4 | 2 | 0.5 | SKCHB-M1.4 | 82 | 0.030 | 100 | 0.05 | CAD | RFQ |
| SPE-M1.4-6-MC1(100) | M1.4 | 0.3 | 6 | 2 | 0.5 | SKCHB-M1.4 | 82 | 0.030 | 100 | 0.05 | CAD | RFQ |
| SPE-M1.6-2-MC1 | M1.6 | 0.35 | 2 | 2.3 | 0.5 | SKCHB-M1.6 | 94 | 0.040 | 10 | 0.078 | CAD | RFQ |
| SPE-M1.6-2.5-MC1 | M1.6 | 0.35 | 2.5 | 2.3 | 0.5 | SKCHB-M1.6 | 94 | 0.040 | 10 | 0.079 | CAD | RFQ |
| SPE-M1.6-3-MC1 | M1.6 | 0.35 | 3 | 2.3 | 0.5 | SKCHB-M1.6 | 94 | 0.040 | 10 | 0.079 | CAD | RFQ |
| SPE-M1.6-3.5-MC1 | M1.6 | 0.35 | 3.5 | 2.3 | 0.5 | SKCHB-M1.6 | 94 | 0.040 | 10 | 0.079 | CAD | RFQ |
| SPE-M1.6-4-MC1 | M1.6 | 0.35 | 4 | 2.3 | 0.5 | SKCHB-M1.6 | 94 | 0.040 | 10 | 0.08 | CAD | RFQ |
| SPE-M1.6-6-MC1 | M1.6 | 0.35 | 6 | 2.3 | 0.5 | SKCHB-M1.6 | 94 | 0.040 | 10 | 0.08 | CAD | RFQ |
| SPE-M1.6-2-MC1(100) | M1.6 | 0.35 | 2 | 2.3 | 0.5 | SKCHB-M1.6 | 94 | 0.040 | 100 | 0.078 | CAD | RFQ |
| SPE-M1.6-2.5-MC1(100) | M1.6 | 0.35 | 2.5 | 2.3 | 0.5 | SKCHB-M1.6 | 94 | 0.040 | 100 | 0.079 | CAD | RFQ |
| SPE-M1.6-3-MC1(100) | M1.6 | 0.35 | 3 | 2.3 | 0.5 | SKCHB-M1.6 | 94 | 0.040 | 100 | 0.079 | CAD | RFQ |
| SPE-M1.6-3.5-MC1(100) | M1.6 | 0.35 | 3.5 | 2.3 | 0.5 | SKCHB-M1.6 | 94 | 0.040 | 100 | 0.079 | CAD | RFQ |
| SPE-M1.6-4-MC1(100) | M1.6 | 0.35 | 4 | 2.3 | 0.5 | SKCHB-M1.6 | 94 | 0.040 | 100 | 0.08 | CAD | RFQ |
| SPE-M1.6-6-MC1(100) | M1.6 | 0.35 | 6 | 2.3 | 0.5 | SKCHB-M1.6 | 94 | 0.040 | 100 | 0.08 | CAD | RFQ |
*1: Values in chart are for reference only. They are not guaranteed values. The recommended tightening torque is 50% of the torsional torque.
Nabeya Bi-tech Kaisha
Customer Service
Please enter questions about customization and other product-related inquiries here.
Find the inquiry form here● When purchasing less volume than one full bag, a separate handling fee is charged. For details, see the Sold Separately Service.
Related Services
Material/Finish
| SPE-MC1 | |
|---|---|
| Main Body | PEEK (Polyether Ether Ketone) (Light Brown) |
| Heat Resistance Temperature*1 |
260℃ |
*1: This is the value for the resin material. The operating temperature of the product changes with performance conditions such as tightening torque.
Application
FPD production equipment / Semiconductor manufacturing equipment / Printed circuit board etching devices / Metallic surface treatment equipment and facilities / Chemical plants / Transformers / Electrical and electronic equipment / Hot water pumps / Chemical pumpsCharacteristics
- PEEK miniature screws for precision instruments (No. 0 Class 1).
- PEEK is a thermoplastic super engineering plastic superior in physical and chemical properties.
- Excellent chemical resistance. It remains almost unaffected by chemicals other than concentrated sulfuric acid, concentrated nitric acid, and concentrated hydrofluoric acid.
- With excellent heat resistance and water resistance, it retains strength at high temperatures.
- It features outstanding resistance to wear, shock, and fatigue.
- It also has high flame retardance which clears the UL 94 V-0 standard.
- For the properties and precautions for use of plastic screws, see “Properties of Plastic Screws.” ⇒Plastic Screws
- Mount and remove with SKCHB Dedicated Bits and SRD Dedicated Magnetic Screwdriver.







