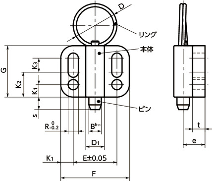
単位 : mm
| 品番 | G | t | e | F | D1 | R | E | K1 | K2 | K3 | B | D | s | 荷重(N) min./max. |
質量 (g) |
ピンのせん断荷重 (N) |
価格 (円) |
税込 価格 |
CAD ダウンロード |
標準品を購入 | 在庫/非在庫 |
|---|---|---|---|---|---|---|---|---|---|---|---|---|---|---|---|---|---|---|---|---|---|
| PBXS-8-R | 33 | 6 | 12.5 | 34 | 12 | 5.4 | 23 | 5.5 | 12 | 15.5 | 8 | 30 | 8 | 6/22 | 65 | 4660 | 4,220 | 4,642 | CAD | カート | 在庫品 |
PBXS-8-Rの材質・仕上げ
| PBXS-R | |
|---|---|
| リング | SUS301 |
| 本体 | SCS13(SUS304相当) ショットブラスト |
| ピン | SUS303 |
| スプリング | SUS301 |
PBXS-8-Rの特長
- インデックスプランジャと取りつけフランジを一体化。
- オールステンレス製。耐蝕性にすぐれています。
- 機器・装置などの壁面への取りつけに適しています。
- 取りつけは市販の六角穴付きボルトなどをご使用ください。
- 長穴を使用すれば、取りつけ後の位置調整ができます。






